Einmal mehr steht bei der VHS Braunschweig ein Bildungsurlaub (BU) zum Thema "PC Technik und Konfiguration" aus der Zertifkikats- und Seminarreihe "Fachkraft IT-Systeme und Netzwerke" (FITSN - ehemals PC Systembetreuer) an.
Wir werden uns alle relevanten Techniken der modernen IT-Technik erarbeiten und kennen lernen. Der praktische Höhepunkt soll dann der "Bastel-Donnerstag" sein, an dem die Teilnehmer Desktop-Systeme von Grund auf selbst zusammenbauen! Hier die Rahmendaten unseres Seminars:
Ort: VHS Braunschweig, Heydenstraße 2, Raum 2.03
Teilnehmer: 14 TN (!)
Zeiten: Mo. 20.02. bis Fr. 24.02.2017; jeweils 08.30 - 16.00 Uhr
Prüfungstermin: Mi., 01.03.2017; 17.30 Uhr; Raum 2.03 (6 Interessierte)
Status Erstkorrektur: erledigt - 05.03.2017 - ich gratuliere allen TN zu einer bestandenen Prüfung im FITSN!
Ich werde unser Seminar an dieser Stelle - wie gewohnt - ausführlich begleiten...
Ihr Trainer Joe Brandes
Montag
Montag, 20.02.2017, 08.30 - 16.00 Uhr
- Orientierungsphase, Pausenzeiten, Seminarablauf, Hinweis auf Zertifikat, TN-Themen, Herdt-Skript
Ablauf für die Woche organisiert, Abfrage Interesse an freiwilliger Prüfung
Praxisschwerpunkt "Bastel-Donnerstag" mit neuer, aktueller Hardware!
Wikipedia-Recherche (de.wikipedia.org);
Hinweis auf Linksammlung pcsystembetreuer.de zu PC Technik (Link)
Zeitschrift: c't (Zeitschrift für Computertechnik aus dem Heise Verlag) - 32-/64-Bit Technik
Technik hat mit 8-Bit begonnen dann 16-Bit, 32-Bit und aktuell 64-Bit Hardware / CPU Technik
erste 64-Bit-CPU im Massenmarkt: AMD Athlon 64 ca. 2003!
64-Bit also schon lange präsent, anfangs noch nicht attraktiv, da die nutzende Software (Betriebssysteme / OS, Anwendungen / Programme) noch nicht als 64-Bit-Versionen vorlagen
siehe hier vor allem die Software zur Unterstützung/Konfiguration der Hardware: Treiber!
Technisch:
4 GB Adressbarriere mit 32-Bit-Technik - siehe Rechnung: 2³² addressierbare Bytes (4*1024*1024*1024 Bytes)
Eselbrücken: 210 = ki = 1014; 220 = Mi = 1024 * 1024; 230 = Gi = 10243; also: 232 = 22 * 230 = 4 Gi - Zusammenspiel von Hardware (HW) und Software (SW)
Hardware (Motherboard mit Chipsatz und Konfigurations-/Verwaltungssoftware BIOS/UEFI)
auf die Hardware wird installiert:
Betriebssytem (Operating System - OS; heute nahezu ausschließlich in 64-Bit-Technik)
auf das Betriebssystem wird dann installiert:
Anwendungsprogramme / Software (sowohl in 32- als auch 64-Bit-Technik,
wobei nur 64-Bit-OS/Programme natürlich auf RAM mit mehr als 4 GiB zugreifen können (Beispiel: Adobe Photoshop in 32 und 64)
Wichtiges Grundverständnis im Vorgriff auf Arbeitsspeicher (RAM): alle Programme und Daten - egal auf welcher der genannten Ebenen - müssen sich im Arbeitsspeicher befinden für die Programmausführungen - die sogenannten Auslagerungsdateien (oder auch Auslagerungspartitionen) stellen nur eine "Krücke" dar - Central Processing Unit (CPU)
Website INTELARK mit Prozessorendetails - ARK: Automated Relational Knowledgebase
Hersteller: INTEL, AMD, es gab/gibt auch andere Hersteller
Recherche ergibt klassische Trennung in Einsatzbereiche: Desktop, Mobile und Server
Eigenschaften der unterschiedlichen Einsatzgebiete diskutiert
Sockel (engl. Socket) unterschiedlich für INTEL und AMD CPUs (keinerlei Kompatibilitäten - sind immer eindeutig!)
Namensgebungen Intel: Pentium, Pentium 4, Core, Core i, Core M, Atom (für sehr stromsparende Systeme)
Namensgebungen AMD: Athlon, Athlon 64, Phenom, AMD A4 / A6 / A8 / A10, AMD FX
Bei Server-CPUs: XEON (Intel) vs. Opteron (AMD)
klassische Modellreihen für Einstiegstechniken (günstige Systeme): INTEL Celeron (oder auch wieder Pentium) vs. AMD Duron / Sempron - Komponenten kühlen
CPU: in Boxed-Versionen Standardkühlkörper/Lüfter der Hersteller Intel/AMD (funktionstüchtig aber "laut"; Anm.: aktuelle Core i Intel legen auch in Boxed Version keinen Kühlkörper mehr bei),
spezielle Kühlkörper von Spezialherstellern (z.B. Scythe, Alpenföhn, Arctic Cooling) ab ca. 20-40 Euro aufwärts) - siehe: Bastelsysteme/Basteldonnerstag
Chipsatz: auf Motherboard fest verdrahtet und und oft nur mit passivem Kühlkörper bedeckt - Hardware generell immer spezifisch optimiert für ...
...Desktop: Preis/Leistung gewünscht, einfacher Einsatz (also große Treiberunterstützung)
...Mobile: Energieeffizienz (Energie sparen wegen Akku-Versorgung) - lange Laufzeiten
...Server: 24/7 (läuft rund um die Uhr), aber natürlich auch Energieeffizienz gewünscht und meist höhere Performance (Geschwindigkeit, Arbeitsspeichergröße)
CPUs für Server: INTEL Xeon vs. AMD Opteron; auch ARM-Prozessoren im Server-Markt (wegen Stromsparfunktionen) - Beispiele INTEL Sockel: (Link Wikipedia Sockel Intel/AMD)
370 (Pentium III), 478 (Pentium IV), 775 (Core Duo, Core 2 Duo),
LGA 1156 (nur kurz im Massenmarkt! Also: Vorsicht bei gewissen Sockelgenerationen/Sockelwechseln),
LGA 1155 (Core i3, i5, i7 - 2rd/3rd Generation bzw. Sandy Bridge/Ivy Bridge),
LGA 1366, 2011 (aktuell sogar 2011-v3; Auflistungen nicht vollständig ;-)
LGA 1150 (Core i3, i5, i7 - 4th Generation bzw. Haswell)
Aktueller Sockel in 6th Generation (Skylake) bzw. 7th Gen. (Kaby Lake) Technik:
LGA 1151 (mit Core i-Prozessoren mit 6xxx-er / 7xxx-er Nummerierung)
Modellvergleich: Intel Core i5 7600 vs. i5 7600K (freier Multiplikator "41" - siehe: 41 * 100MHz = 4,1GHz) vs. i5 7600T (energiesparsamer)
TDPs (Verlustleistungen) von 35 (T), 65 bis 91 Watt (K) bei den genannten Core i5 7600 CPUs
der "Fairness" halber hier die Beispiele für die AMD Sockel: A, AM2/AM2+, AM3/AM3+, FM1 - Chipsatz - die Schaltzentrale für gesamte Technik (Wikipedia Link Chipsatz)
auf dem Motherboard, legt also alle technischen Möglichkeiten Ihrers Systems fest, Austausch erfordert in den meisten Fällen die Neuinstallationen von Betriebssystemen!
Aktuelle Chipsätze leistungsfähiger, aber auch ohne alte Aufgaben wie Speicher-Controller (heute oft in die CPU integrierte Speicher-Controller und On-CPU-Grafiken statt früher On-Board-Grafiken) - Formfaktoren (heute nur erst einmal als Fachbegriff)
Einige Favoriten über die Jahre mit dem Anfang mit dem AT-Formfaktor (PC-Urahn) dann
ATX (mit verkleinertem Standard Micro / µATX), Abmessungen siehe Wikipedia-Artikel (Link),
BTX (als Plan für die Bekämpfung von Wärmeproblemen in PC-Gehäusen - hat sich nicht im Massenmarkt durhgesetzt),
ITX (als Mini- oder gar Nano-ITX-Varianten für Mini-PCs in Form von sogenannten "Cubes" (Barebones) oder Home-Theatre-PCs / HTPCs)
aktuell: Intel NUC (Next Unit of Computing; Mini-PCs nach Idee von Apples Mac mini)
Wichtig: bei so kleinen Formfaktoren wie NUC darf dann aber auch wirklich nicht viel "Wärme" (TDP) erzeugt werden!
Zusammenhang später: ATX-Gehäuse, ATX-Netzteile - Motherboard (bzw. Mainboard; dt. Hauptplatine)
zentrale Baugruppe mit: Sockel (Socket) für Prozessoren (CPU),
Chipsatz (Zentrale für alle Busse, Anschluss- und Schnittstellentechniken - wichtigstes Detail des Boards),
Layout mit Positionen für Sockel und Co vorbesprochen,
Online-Recherche bei Herstellern ASUS und MSI, Revisionen (Hardware-"Versionen),
erster Hinweis auf BIOS-Technik (ggf. dann auch Unterstützung neuer CPU-Generationen möglich),
Handbücher als Beilage bzw. Download (normalerweise Englisch - in Ausnahmen auch Deutsch)
Übungen: TN-PCs analysiert (s.a. CPU-Z)
Raum 2.03: Motherboard: D3220-A1 von Fujitsu - gibt es quasi nicht! Das Motherboard ist als Massen-Hardware (MB) in Komplett-System "Fujitsu Esprimo 520" verbaut und wird über individuelle Kennungen bei Fujitsu.de (Support) recherchierbar - aber: keine Komplett-Info wie bei manuell zusammengestellten Systemen! - Tools / Analysen
CPU-Z (www.cpuid.com) - Registerkarten nachrecherchiert;
Übung: eigenes TN-System analysiert
Beispiele für Multiplikatoren für CPU-Taktraten: Grundtakt (hier 100 MHz) wird mit (meist) festen Multiplikatoren auf Standardtakt von 31* 100 MHz = 3100 MHz gebracht;
Anm.: Technik EIST (Enhanced Intel Speedstep Technology) lässt Prozessor in Ruhe auf 8 * 100 MHz = 800 MHz "arbeiten"
Task-Manager (Strg + Alt + Entf oder Rechte Maus auf Taskleiste) - Register Leistung
Resourcenmanager (resmon.exe) - für die Anzeige von Auslastungen / freier Arbeitsspeicher
Alternative Tools: Sisoft Sandra, HWMonitor, Aida/Everest (der Firma Lavalys - Kaufsoftware $$) - CPU Technikdetails:
Prozessoren über die Jahre mit vielen technischen Details:
Taktrate (GHz), Herstellungstechnik (nm - sind 10-9m, also Milliardstel Meter; Beispiel: Fertigungstechniken INTEL Sandy Bridge 32nm vs. Ivy Bridge 22nm; Haswell und Broadwell;
aktuelle Techniken dann gar nur mit 14 nm - Skylake oder aktuell Kaby Lake),
Cache (schneller Zwischenspeicher in kB/MB Größen, Level 1 bis Level 3 - in der CPU integriert),
Verlustleistung (TDP - Thermal Design Power, quasi was die CPUs "verbraten"),
Mehrkern-Technik (klass. also z.B. Core Duo bei INTEL bekannt, auch Quad-Core oder 6-Kern, 8-Kern),
Befehlssätze (Beispiele INTEL: MMX, SSE, SSE2, SSE3, SSE4), Virtualisierungstechnik (INTEL: VT-x - Vanderpool Technology, bei AMD: Pacifica),
Hyper-Threading (INTEL: "virtuelle" Prozessoren - so werden aus Quad-Cores mit HT im Taskmanager 8 Kerne), Preise
Hinweis Andere CPU-Hersteller:
Komplettsysteme auf ARM-Basis - siehe Tablets / 2-in-1 mit der Einführung von Windows 8 ab Oktober 2012;
Prozessoren z.B.: Nvidia Tegra 2/3, Qualcom Snapdragon für Smartphones und Tablettechniken - Recherchen / Bastel-PC "MSI Z270-A PRO"
Intel-Board: Sockel 1151, Chipsatz Z270, ...
Aktuelle alternative Board-Version zu Recherchezwecken oder auch Bauvorschlägen: ASUS Z170-A: Sockel 1151 (Skylake), Chipsatz Z170, ...
Handbücher, Bildmaterial recherchiert / dargestellt
Dienstag
Dienstag, 21.02.2017, 08.30 - 16.00 Uhr
- Rekapitulation zu Montag, TN-Fragen
Termin Freiwillige Prüfung vorstellen! - Prinzip "PC" per Tafelbild - Rekapitulationen und Einführung Technikbegriffe
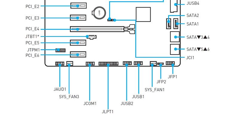
Anhand von Bild-/Info-Material (ASUS Z270-A PRO) und Tafelbild zentrale Bedeutung des Chipsatz herausgearbeitet
Grafiktechniken: (s.a. unten)
1) (aktuell) in CPU integriert (iGPU - z.B. Core i5 7400 hat Intel HD Graphic 630),
2) (klassisch) in Chipsatz integriert (onBoard Grafik),
3) (für mehr Grafikleistung jenseits "Office") Grafikkarte (erster langer Steckplatz auf Motherboard: PCIe Graphics Port - PEG)
USB-Anschlüsse ("Farben": Schwarz, Blau, "Türkis/Dunkelgrün/Petrol") - Techniken/Geschwindigkeiten später
Anschlüsse auf Board und Rückseite durchgesprochen - Speicher
ROM (Read Only Memory): nur Lesen, fest/nicht flüchtig - als BIOS-Baustein
hier: veränderliche Daten im NVRAM/CMOS-RAM inkl. Batterie-Pufferung, → Batterie versorgt auch RTC - Real Time Clock
RAM (Random Access Memory): Lesen / Schreiben, flüchtig (Speicherverlust bei Unterbrechung der Strom/Spannungsversorgung - unsere PC-Arbeitsspeicher als DRAM ausgeführt)
SRAM: Static RAM - z.B. in Caches von CPUs verbaut (kein Refresh nötig!)
DRAM: die Lösung für Arbeitsspeicher (Dynamic RAM - bedeutet muss gepflegt / refresht werden)
technische Umsetzungen in Form von: (uralt: FP-DRAM, EDO-DRAM, PS/2-Module, ...)
→ SDRAM (Synchronous DRAM) und die Überarbeitungen und Nachfolger
→ DDR(-SDRAM), DDR2, DDR3, DDR4 (DDR steht allgemein für Double Data Rate);
neu und speziell: DDR3L-SO-DIMM (LPDDR3 für Notebooks mit Low Voltage: z.B. ca. 1,35 statt um die 1,5 V)
aktuelle Intel-Core-i der 6. Generation (und deren Chipsätze) unterstützen dann auch DDR4 als Standard-Speichertechnik und es sind bis zu 16 GB Speichermodule erhältlich
→ ergibt: 64 GB Ausbau bei modernen Skylake/Kaby Lake Motherboards!
alle technischen Umsetzungen im Standard-Preissegment diskutiert;
Preis DDR4 - Status Februar 2017: ca. 7-8 € / GB - Speicher - technische Parameter:
Taktraten, effektive Taktraten, Zugriffszeiten in ns, CL-Werte (Timing: hier CAS Latency), Spannungsversorgung (V - Volt),
Bandbreiten (GB/s), Dual-Kanal-Technik, Bezeichner für Module (DDR4 bzw. PC4), Preise, Pins (Anzahl Anschlüsse/Signale),
Anzahl Kerben (SDRAM 2 Kerben, DDR 1 Kerbe), DIMM (Dual Inline Memory Module - Bauform mit zweiseitiger Kontaktierung; statt SIMM - Single IMM),
SO-DIMM (Small Outline DIMM, Notebooks, Netbooks, Laserdrucker),
ECC, und Registered (Hinweise auf Inkompatibilität bei Standardboards, Servertechnologien),
SPD (Serial Presence Detect - siehe auch gleichnamige Registerkarte bei CPU-Z)
Anmerkung: Beispielrechnungen für Datenraten und Co in Tabellen des DDR-Wikipedia-Artikel!
Hinweis für Rechnungen: seit Pentium (ca. 1993) ein 64-Bit Datenbus (also 8 Byte breiter "Kanal" zum RAM)
Aufrüstung von "limitierten Systemen" (Notebooks/Ultrabooks, MicroATX/µATX) diskutiert
Testsoftware für Speicher: www.memtest.org (Memtest86) - Microprozessorsysteme (allgemein)
3 Busse - Adressbus, Datenbus, Steuerbus - ATX-Formfaktor
Erinnerung an Übersicht Formfaktoren: AT (alter PC-Standard), ATX, BTX, ITX, Nano-ITX
immer noch aktuell: ATX-Formfaktor - also:
ATX-Gehäuse (Schraubpositionen im Gehäuse, Dimensionen, Rückblenden)
ATX-Motherboard (Verschraubungspositionen, Energieversorgung)
ATX-Netzteil (24-pol. Versorgung Motherboard / 4-pol-/8-pol. 12 V CPU-Zusatzversorgung, Energieverbraucher: HDD, SSD, Grafikkarte!)
Komplettsysteme (fast immer) als microATX (μATX): ca. 5 cm schmaler - also weniger Steckplätze; häufig auch nur 2 RAM-DIMM-Sockel - HW-Erkennung: heute nur noch automatisch mit Plug & Play (PnP)
früher: manuelle Konfigurationen mittels Jumpern (Steckbrücken) oder DIP-Schaltern ("Mäuseklaviere") auf Motherboards oder Steckkarten;
heute: Hardware vereinbart automatisch über alle beteiligten PnP-taugliche Techniken die notwendigen Resourcen:
beteiligte PnP-Partner: Hardware → BIOS/UEFI → OS Operating Systems
Resourcen:
IRQ - Interrupt Requests (Unterbrechungsanforderungen von Geräten für/an CPU)
DMA - Direct Memory Access (Direktleitungen in den Arbeitsspeicher für Geräte)
Speicheradressierungen (Reservierung von RAM-Bereichen für Geräte)
I/O-Ports - Eingabe/Ausgabe Adressen (quasi Anschrift/Adresse für Geräte/Schnittstellen)
Gerätemanager Windows zeigt dann die Infos über die Geräte und Ressourcen; Unbekannte Geräte also "erkannt" aber noch ohne Treiber!
Recherchewebsite für "unbekannte/Treiberlose" Geräte: www.pcidatabase.com (VEN - Vendor/Hersteller-ID; DEV - Geräte-ID)
Hot-PnP: Erkennen / Inbetriebnahme im laufenden Betrieb - Schnittstellen (Teil I - intern - siehe Bilder Motherboards)
PCI-Bus (33 MHz, 32-Bit → 133 MB/s), klassischer Bus (alle teilen sich Bandbreite, am Anfang und Ende terminiert)
Grafik-Spezialanschluss: AGP-Port (1x mit 266 MB/s, Varianten mit 2x, 4x und 8x-AGP), exklusive Lösung für Grafikkarten bis zur Einführung einer universellen neuen Bus-Technik
PCI Express (PCIe) - die neue Allrounder-Lösung, basiert auf Lanes ("Autobahnspuren", Datenanbindungen)
Versionen über die Jahre mit unterschiedlichen Bandbreiten/Geschwindigkeiten:
PCIe Version 1.0 - 250 MB/s, 2.0 - 500 MB/s, 3.0 - ca. 1 GB/s (Schätzung: 4.0 Boards dann ab 2017)
Steckplätze: lange und kurze Versionen, erste lange Version in Nachbarschaft CPU: x16-Platz für Grafikkarte (PEG - PCI Express Graphics),
kurze Steckplätze x1 (x1 / x4 Lane), Steckkarten für kurze Steckplätze auch in langen Steckplätzen einsetzbar,
Unterschied zu PCI Steckplätzen auf Motherboards identifiziert - Grafiklösungen (techn. Umsetzungsvarianten)
a) als Grafkkarte mit eigener GPU (Graphic Processing Unit) und eigenem Grafik-RAM
Übung: erste Recherchen zu Preisen, Leistungen (auch hier TDP/Wärmentwicklung - Watt - also: aktive Kühlungen/Lüfter); zusätzliche Stromversorgung(en) durch Netzteil nötig
b) klassische On-Board-Lösung - also im Chipsatz integriert (ohne eigenen Grafik-RAM)
c) in modernen CPUs integriert (iGPU): Core i5 7400 mit Intel HD Graphic 630; bei AMD sogenannte APUs (Accelerated Processing Unit) wie AMD A8-5600K
bei Varianten b) und c) wird ebenfalls Graphik-RAM benötigt, der hier vom Arbeitsspeicher genommen wird! - Grafikausgabe
Grafiktechnik mit GPU, Grafik-RAM (GDDR), Ram-DAC (Digital-Analog-Converter),
Ausgänge: VGA, DVI, HDMI, DisplayPort (DP): analog und/oder digital, mit/ohne Sound
Betriebssystem-seitige Konfigurationen von Auflösung + Farbtiefe + Bildwiederholrate (Hz)
Beispielhafte Auflösungen:
1024*768 (4:3), 1208*1024 (5:4), 1600*900 (16:9), 1920*1080 (Full-HD, 16:9), 1920*1200 (16:10),
alles danach für 27 Zoll Monitordiagonale (Beachten: Dual-Link-Technik bei DVI)
diese anspruchsvolleren Monitore dann auch mit höheren Auflösungen:
2560 * 1440 oder die neuen 4k / UHD: 3840 * 2160 entspricht 8.294.400 Pixel (eigentlich wäre 4k-Technik mit 4096 Pixeln)
5k-Monitore erhältlich: 5120 x 2880 Pixel; hört sich erst einmal nicht nach mehr an - aber mit insgesamt 14.745.600 Pixeln hat man 77% mehr Pixel als bei der UHD-Auflösung!
2D-Grafik-Rechenbeispiele:
1280 * 1024 Pixel * 32 Bit/Pixel = 5.242.880 Byte = 5 MiB
1920 * 1080 Pixel * 32 Bit/Pixel = 8.294.400 Byte = 7,9 MiB
Also reichten viele Jahre Grafikkarten mit 4-8 MiB aus!
die aktuellen großen Grafik-RAM (z.B. 2 GB, 4GB, 6GB, 8GB !) wegen:
3D (Z-Puffer), Texturen (kleine Bitmaps für Oberflächen), Gitternetzmodelle (Koordinaten / Berechnungen), Kantenglättungsberechnungen (Anti-Aliasing, FSAA),
physikalische Berechnungen, ... (Anm.: Grafikkarten quasi eigene kleine Spezialrechner) - kleine Übung:
Identifikation von Schnittstellen und Motherboard-Techniken auf Motherboard und Rückseite
Mittwoch
Mittwoch, 22.02.2017, 08.30 - 16.00 Uhr
- Rekapitulation (hier: PnP Abschnitt mit Gerätemanager), TN-Fragen, Prüfungstermin koordinieren/festlegen
- Monitor-Anschlüsse
VGA (analog, der klassiche 15-polige Sub-D-Stecker aus den Röhrenzeiten),
HDMI (eigentlich aus der Home-Video-Ecke, Standards: z.B. HDMI 1.4a; inkl. Sound, UHD mit 60 Hz erst ab HDMI 2.0),
DVI (-A analog, -D digital, -I integrated A und D; Pinbelegungen 5+24, Dual Link ab ca. 1920 * 1200 Pixeln Auflösung, DVI ohne Ton, Adapter DVI-VGA für Analoge Displays/Röhren),
DisplayPort (DP - der aktuelle und zukunftsorientierte Port mit allen genannten Techniken und auch höchsten möglichen Auflösungen - bitte auf mindestens Version 1.2 achten für die neuen 4k/UHD-Monitore, damit 60 Hz möglich sind; aktuell DP 1.4)
Anm.: HDCP (High Definition Copy Protection),
alle Bauformen auch jeweils als Mini-Stecker am Markt
Tunderbolt 3: eine Schnittstelle, die "Alles vereint" mit Hilfe einer seriellen 40GBit/s Schnittstelle! Supertechnik in vereinzelten Motherboards (Beispiel: Motherboard Gigabyte GA-Z170X-UD5 TH (rev. 1.0) (Link - ca. 190 €; Notebook Dell XPS 13 9360 ab ca. 1.000 €) - die aktuelle Empfehlung, falls Sie auf diese Schnittstelle nicht im Massenmarkt "warten" können/wollen - Monitore
Röhrenmonitor: klassische "Röhre" (CRT - Cathod Ray Tube), baut Bild zeilenweise mittels Elektronenstrahl,
bei CRTs sind Bildwiederholraten (Vertikalfrequenzen) für ergonomische Darstellung (siehe TCO) mit >85 Hz nötig
Flachbildschirme: Überbegriff TFT (LCD, LED Technologien), Paneltechnologien (Beispiel: TN vs. IPS),
Bilder werden als komplette Frames gewechselt, Bildwiederholraten ab 60 Hz (75 Hz, 85 Hz max. siehe Unterlagen Monitore/Beamer)
Anm.: Monitor-Treiber nicht technisch notwendig, sondern für OS-Konfiguration nutzbar
Wichtig: Monitore mit nativer Auflösung betreiben, Größen von Schriften/Symbolen über das Betriebssystem anpassen
Merkmale für Monitor: Preis, Größe, Pivot-Technik, Reaktionsgeschwindigkeit (in ms), native Auflösung/Seitenverhältnis, Anschlüsse,
Bildschirmdiagonale in Zoll/Inch (2,54cm): Auflösungen/Empfehlungen zu 24'' (1920*1080 - FHD), 27'' (2560*1440 oder UHD 3840*2160)
Bedienbarkeit (OSD On Screen Display Menü), Stromverbrauch, Oberfläche (matt / glänzend), Pixelfehlerklassen,
Paneltechniken (TN, IPS, VA, PLS, OLED, ...), USB-Hub, Audio-Ausgabe
Gute Website für Monitore und Co: www.prad.de - Schnittstellen (Teil II)
Legacy Techniken (alle ohne PnP !)
ISA, PS/2, Serielle Schnittstelle (COM, RS232), Parallele Schnittstelle (LPT, Centronics bei Druckern)
Interne Laufwerkscontroller:
SATA (Serial ATA)
Serielle schlanke Übertragungskabel; bessere Stromversorgungsstecker; mehr Anschlüsse (min. 6 Laufwerke)
Standards: SATA-I (1,5GBit/s → 150MB/s); SATA-II bzw. SATA 3G (3GBit/s → 300MB/s) und
aktuell SATA-III bzw. SATA 6G mit 6GBit/s → 600MB/s und damit schnell genug für SSDs im Standard-Betrieb
und vorher IDE / PATA - Parall ATA) für Datenträger / Laufwerke
(IDE techn.: UDMA 66/100/133 also bis zu 133 MB/s mit insgesamt 2*2=4 LW und jeweils 2 LW an einem breiten 40-poligen IDE-Kabel)
USB (Universal Serial Bus):
Versionen 1.0/1.1 (1,5 / 12 MBit/s); 2.0 (480MBit/s); 3.0 (5Gbit/s) - die theoretischen Geschwindigkeiten (Bandbreiten) mittels Teilung durch 10 ermitteln: USB 2.0 also 48 MB/s (praktisch ca. 20MB/s) und USB 3.0 also 500MB/s (gute externe 3,5 Zoll USB-HDs erreichen über 150MB/s und mehr);
ab USB 3.0 wird auch die Stromversorgung modernisiert - Laden über USB möglich!
USB 3.1 - Einführung in 2014 mit 10GBit/s (SuperSpeed+ - Artikel in c't und Golem.de zu USB 3.1)!
Neuer frei orientierbarer/drehbarer Stecker / Buchse: Typ C (der wird dann auch bei Thunderbolt genutzt)
Rechenbeispiel zu USB:
Geschwindigkeit für 20 GB Datenübertragung: fast 17 Minuten mit USB 2.0 aber nur gut 2 Minuten mit USB 3.0
Recherche:
Motherboards mit USB 3.0 / 3.1 - Steckplätze-Zuordnung Rückseite Motherboards wieder über Handbuch-Recherche
Thunderbolt - bei Apple als Multi-Funktionsschnittstelle mit 10 / 20 / 40 GBit/s (Thunderbolt Versionen 1 bis 3),
aktuell auch bei PC-Systemen zu finden (Motherboards, Notebooks)
benutzt auch den USB Typ C Stecker, also äußerlich mit USB 3.1 Typ C gleich!
besondere Schnittstellen (soll heißen: "älter"/Auslaufmodelle oder ohne Massenverbreitung)
FireWire (IEEE 1394) - vertreten bei Apple und vormals DigiVideoCams; 400 MBit/s oder auch FireWire 800 mit dann 800 MBit/s (in IT auf Rückzug - aktuell sogar als FireWire 3200 Norm)
eSATA - externes SATA; bei ausgewählten Motherboards vertreten; beachten: möglicherweise kein Hot PNP (also Ankoppeln im laufenden System)
spezielle Notebook-Schnittstellen:
PCMCIA (klassisch) - moderner als ExpressCard ausgeführt (kaum noch vorhanden, da technisch jetzt immer USB genutzt wird) - HDD Techdaten
die technischen Werte::
Bauformen (3,5 / 2,5 / 1,8 Zoll), Kapazitäten (GB / TB),
Schnittstellen( IDE bis ca. 133 MB/s für 2 Geräte;
SATA: bis SATA 6.0Gb/s (entsprechend theoretisch bis zu 600 MB/s Lesen!),
praktische Datentransferrate HD (> 150 MB/s), Drehzahl (5400 / 7200 / 10000 U/min und mehr;
ab spätestens 7.200 U/min bitte auf gedämpften Einbau und Wärmeabfuhr/Kühlung achten),
Zugriffszeit (in ms), Cache (in MB), Stromverbrauch (ca. 5 Watt und mehr);
spezielle Festplatten (Advanced Format - 4k) mit jetzt 4096 Byte (4 kB) Sektorgröße (klassisch 512 Byte; Technik klassisch: CHS - Cylinder / Head / Sektor; siehe hierzu dann auch LBA - Logical Block Adressing und bestimmte HD-Größengrenzen: aktuell 2,2 TB - hier auch jenseits dieser Größe kein Booten mehr mit BIOS-Technik mehr möglich)
Diagnose von Laufwerken mittels S.M.A.R.T. (Wikipedia-Link) oder Tools: CrystalDiskInfo
Geschwindigkeiten testen mit CrystalDiskMark oder Atto Disk Benchmark - SSD - Solid State Drive
moderne schnelle Festplattenalternative - quasi: superschneller interner "USB-Stick" - also ohne mechanische Elemente
Nachteil: aktuell nur bezahlbare Größen bis ca. 1TB
Vorteil: sehr schnelle Zugriffe (gemessen IOPS - Input Output Operations per Second - Standard-SSD mit ca. 90.000 IOPS) und hohe vergleichbare Datenübertragungsraten/Bandbreiten (ca. 500MB/s)
Anschlussmöglichkeiten:
2,5'' SATA SSD - also anschließen per SATA wie eine SATA-Festplatte
M.2 SSD - über M.2 Steckplatz auf Motherboard und mittels SATA-Controllertechnik; Standard-M.2-Modul: M.2 SSD 2280 (22mm breit * 80mm lang)
M.2 PCIe NVMe SSD - den M.2 Steckplatz direkt über 4 PCIe Lanes mit NVMe Protokoll (Achtung: OS Treiber) anbinden (siehe Motherboard-Ausstattung); höchstmögliche, schnellste Variante: ca. 3.000MB/s Lesen - 1.500MB/s Schreiben - ca. 300.000 IOPS - SD- und microSD Karten
sehr großer Markt mit vielen Anbietern und technisch unterschiedlich wertigen Erzeugnissen:
Momentaufnahme: microSD 128GB Karte von knapp 40 bis 220 € - sehr unterschiedliche Lese-/Schreibperformance
Praxishinweis: moderne DSLR (Digitale Spiegelreflex Kamera) erzeugt bei hohen Auflösungen (z.B. 24 Megapixel mit 6000x4000 Pixeln) pro Aufnahme in höchster Qualität und RAW-Format gute 25-30MB Dateien → 4 Bilder pro Sekunde "knipsen" verlangt also mindestens gute 100MB/s Schreibrate (inkl. Caching in der Kamera)
Alt/Vorgänger: CompactFlash Karten - Optische Datenträger
CD - Compact Disc - ca. 700MB; Brennbare Versionen CD-R / CD-RW
DVD - Digital Versatile Disc - ca. 4,7GB (DVD-5) bzw. 8,5GB (DVD-9); Versionen: DVD-R/+R, DVD-RW/+RW, DVD-RAM
BD - Blu-Ray Disc - ca. 25 bzw. 50GB
Langzeitzuverlässigkeit bei den gebrannten Medien besonders schlecht - besser: magnetische Datenträger oder sogar USB-Sticks
Speicher testen
Hardware-IDs
Motherboard Anschlüsse
Typ C - Thunderbolt
Schnittstellen
S.M.A.R.T und Benchmark
Donnerstag
Donnerstag, 23.02.2017, 08.30 - 16.00 Uhr
- Rekapitulation, TN-Fragen
Bastel-Donnerstag: praktische Erfahrungen mit den erlernten Techniken!
Ablaufplanung für Praxistag wird mit den TN koordiniert.BASTELN!
mit den folgenden Bastelsystemen der VHS Braunschweig
neues aktuelles Bastelsystem
1 INTEL MSI Z270-A PRO (Kaby Lake - S. 1151); siehe gesonderte Doku auf diesem Portal
die Bastelsysteme (2014)
1 INTEL Asus Z87-A (Haswell - S. 1150),
1 AMD Asus M5A78L-M/USB3 (S. AM3+ als Komplettsystem)
deren ausführliche Doku extra bereit gestellt wird:
Link zu Beitrag zu neuer HW inklusive Doku und BildmaterialKlassische Bastel-Systeme:
1 INTEL Asus P5K-Pro,
1 AMD Asus M2A-VM HDMIStichworte zum Bastel-Donnerstag:
- Netzteil
alle bisherigen Teile müssen durch das Netzteil mit der notwendigen Gleichspannungsversorgung - gewandelt aus unserem 230 V / 50 Hz Wechselspannungsnetz - versorgt werden; das Alles bitte ohne große Verluste - also mit möglichst hoher Energieeffizienz (siehe 80+ und Begriff "Wirkungsgrad"), auch passive Netzteile möglich (ohne Lüfter, aber: teuer), Kabelmanagement (hier insbesondere Versorgungen 12 V Zusatzversorgung für CPUs mit 4/8 Pins oder auch die 6/8 Pin Versorgungen für PCI Express Grafikkarten; also Leistungen / Leitungen und Kabelmanagement beachten - BIOS / UEFI
weitere Einblicke - siehe auch Vortage - Rekap dann am Fr. - Gehäuse und Netzteil
Recherche zu diesen Baugruppen,Tipp: Videos von Herstellern und Einblicke in die Techniken erhalten
Hinweis zu Technik-Webseiten/Portalen: tomshardware.de, pcgameshardware.de, caseking.de - Fachbegriffe
in loser Sammlung zum Bastel-Donnerstag:
Netzteile (Effizienz - siehe 80+, Leistung in Watt, Kabel),
Gehäuse-Eigenschaften (Größe, Stabilität, Erweiterbarkeit, Verarbeitung),
Vorgehensweise bei Ausbau-/Umbau-/Zusammenbau von Systemen,
alle Kabel für Floppy, IDE, SATA, Master / Slave für IDE-Technik (Jumper, Orientierung Kabel, Pin 1),
Verbindungen Gehäuse mit Signal-Panelleiste Motherboard (sehr praktisch: Quick-Connector ASUS) - Analyse der rohinstallierten Windows-Systeme mit Windows Bordmitteln:
Übersicht mittels Win-Tastenkombi Win + X oder mittels Systemkonfiguration (msconfig.exe - Register Tools)
Systeminformationen (msinfo32.exe);
Management-Konsolen:devmgmt.msc(Gerätemanager),diskmgmt.msc(Datenträgerverwaltung),compmgmt.msc(Computerverwaltung - mehrere gemeinsame Konsolen - "Schweizer Messer") - Datenträger verwalten
Praxis am Basteldonnerstag
erste Einblicke - Datenträgerverwaltung - Fachbegriffe (Partitionen, Dateisysteme, Formatieren) - Video (Beipiele zum Selbstlernen)
zu "Preis-/Leistungssystem" auf Basis eines Asus Z97-C Motherboards von Youtube-Channel LinusTechTips (engl.)
zwar gesponsort (Intel) aber dennoch sehr ordentlich und qualitativ hochwertig
Alternative (deutsche) Videos/Anleitungen lassen sich leicht auf Youtube finden (Stichworte: Kaby Lake System bauen, ...) - RAID- Redundant Array of Inexpensive/Independent Disks (Wikipedia Link)
Versuch der Optimierung von Geschwindigkeit und Redundanz/Ausfallsicherheit, Software- vs. Hardware-RAID (Vor- / Nachteile),
beispielhafte RAID-Level:
0 (Striping), 1 (Mirroring - Empfehlung für Serverinstallations-Volume), 5 (Striping mit Parität)
Anm.: diese 3 RAID-Level werden auch von den Windows Server Betriebssystemen untertstützt ("normale" Windows können 0 und 1)
Hinweis zur Nutzung von RAID bei NAS (Network Access Storage) und sehr speziellen HW-Unterstützungen (siehe Intel Matrix RAID)
Freitag
Freitag, 24.02.2017, 08.30 - 16.00 Uhr
- Rekapitulation, TN-Fragen
- "Hausaufgabe": NAS oder SAN?
Lösung: Zugriff auf "Netzwerkspeicher" ...
NAS: ... auf Ordner/Datei-Ebene - SMB/CIFS (Win-Freigaben), NFS (Linux-Freigaben/Exports), FTP (File Transfer Protocol Service)
SAN: ... auf Blockebene - moderne Technik: iSCSI (Einrichtung eines iSCSI-Targets im NAS - Zugriff über Clients wie Windows mittels iSCSI-Initiator, dann erscheint der "Netzwerkblock" wie lokales Laufwerk - Motherboard ASUS Z270-A Handbuch
die Techniken als Rekapitulationen anhand eines aktuellen Motherboard-Manuals
→ der "Rote Technik-Faden" - BIOS (neu: UEFI) - Firmware des Motherboards (Infoseite www.bios-info.de)
Rechner einschalten löst Reset aus und startet "Firmware" des Motherboards,
POST: Power On Selftest (Selbstdiagnose),
Abarbeitung der Bootsequenz
Bootmedien: HD 0, 1, 2, ...; Floppy; Optische LW; USB-Sticks und -HDs; Netzwerkboot mittel z.B. PXE
Aufruf des BIOS-Setup über meist Entf / F2 - Tasten gemäß Handbuch der Hardware;
ASUS und andere Hersteller: F8 für manuelles Boot-Popup-Menü mit Auswahl Startmedium
ausführliche Erläuterungen zum BIOS/UEFI des Motherboard / Notebbook im Handbuch (Manual);
Konfiguration (Techniken der Flash-Techniken von AMI, AWARD oder PHOENIX in Form von Flash-ROM / EEPROM Electrically Eraseble Programmable ROM),
Powermanagement (APM ermöglichte erstmals echtes "Runterfahren/Ausschalten", jetzt: ACPI),
ACPI: Advanced Configuration and Powermanagement Interface; verwaltet Power/Energieverwaltung und Resourcen (siehe PnP - dann später auch im OS - immer automatisch!)
Speichern/Sichern der Einstellungen (Konfigurationen) des BIOS über CMOS-RAM (bzw. NVRAM) dessen Inhalt über Batterie auf Motherboard gepuffert wird (siehe auch RTC - Real Time Clock / Echtzeituhr)
Flashen von BIOS besprochen (verschiedene technische Varianten von den klassischen DOS-Startdisks bis hin zu "Live"-Flashen in Windows),
Gründe für notwendiges Flashen besprochen: Systemstabilität, neue Hardware (CPU, RAM, Grafik, ...), neue Einstellungen
UEFI: neue (64-Bit-)Technik für neue Hardware - aber auch noch "Altes BIOS" vorhanden bzw. unter der Haube;
Unterstützung Booten von Platten >2,2 TB mit Hilfe von GPT (GUID Partition Table) Verwaltung, Unterstützung und optimale Zusammenarbeit mit modernen 64-Bit-Betriebssystemen:
Kombinationen UEFI / Win 64-Bit / SSD starten so schnell, dass die F8-Taste für die Erweiterten Startoptionen von Windows nicht mehr funktioniert!
Hinweis: beim Installieren von Datenträgern "Win8/10-DVD" auf Auswahl mit UEFI-Option achten!
aktuelles UEFI von MSI Z270-A PRO gezeigt und wieder: Hinweis auf Motherboard-Handbuch:
Anleitungen für Nutzung und Konfigurationsmöglichkeiten; Flashen eines BIOS/UEFI (Vorgehensweise, Gründe zum Flashen kennen)
Wichtig: BIOS nur aktualisieren wenn wirklich Grund (z.B. meine neue CPU unterstützen),
sonst; "Never touch a running system - Niemals ein laufendes System ohne Grund ändern" - Rechnerkonfigurationen / Zusammenstellungen
anhand von c't Artikeln (z.B. Skylake Bauvorschläge "Wünsch Dir was" 25/2015 Link),
Vergleich aktueller LowCost-Prozessoren Intel vs. AMD (ca. 60 Euro für Gesamtsysteme mit ca. 500 Euro c't 11/2016) und mit Hilfe von Online-PC-Konfiguratoren (siehe z.B. PC-Konfigurator alternate.de) - Musterprüfung / Prüfungsvorbereitung
Anmerkungen zu Aktualitäten der Fragen der Musterprüfung beachten!
Aufgabenrating zur Musterprüfung (Download s.u.): Aufgabe / Aktualität von 0 bis 2
1/2 2/2 3/2 4/2 5/2 6/ 7/0 8/1 9/2 10/2 11/0 12/0 13/1 14/0 15/0 16/1 17/2 18/1 19/1 20/2 21/0 22/1
Bitte das Herdt-Skript "durchlesen/blättern" und unseren Roten Faden (s.a. Download für TN auf diesem Portal) - Bereitstellung Infomaterial / Screenshots zur Seminarwoche
wieder Hinweis auf Material (inkl. dt. Handbuch) zu aktuellen Plattformen (siehe wieder ASUS Z270-A, MSI Z270-A PRO, ...) - TN-Bescheinigungen, Feedback-Bögen, letzte TN-Fragen
iSCSI-Initiator
Motherboard Treiber
Motherboard Layout
Clear CMOS-Jumper
modernes BIOS / UEFI
SATA-Controller Modi
Vielen Dank für Ihr überaus positives und freundliches Feedback - ich freue mich auf unsere weiteren Seminare und die Prüfung nächsten Mittwoch.
Ihr Trainer Joe Brandes


